咨詢熱線
18330064396在浩瀚的建筑工程領域,每一個細節都關乎安全與穩固。今天,就讓我們一起走進一種至關重要的連接技術——螺柱焊,它在建筑界又被親切地稱為栓釘焊,是熔態壓力焊家族中的璀璨明星。

栓釘焊(螺柱焊)又有2種:普通栓釘焊和穿透栓釘焊,普通栓釘焊亦稱非穿透栓釘焊。穿透栓釘焊用于組合樓板和組合梁,焊接時,將壓型鋼板焊透。使栓釘、壓型板、和鋼構件三者焊接在一起。壓型鋼板厚0.5、0.8、1.0、1.2、1.6mm,鍍鋅。施工中,壓型鋼板起到底模的作用。穿透焊對瓷環強度及熱沖擊性能要求較高,禁止使用受潮瓷環,當受潮后在250℃溫度下焙烘1h后使用,二是瓷環中心釘孔的直徑和圓度。而瓷環質量的好壞是直接影響栓焊的質量。

瓷環的作用是集中電弧熱量,隔離外部空氣,保護電弧和熔融金屬免受氮、氧的進入,同時防止熔融金屬的飛濺。工程中使用的瓷環應保持干燥及完整,在瓷環的儲運過程中的注意點如下:1.瓷環應有制造廠按批配套供應,每個包裝箱內應帶有產品的合格證和質量保證書;包裝箱外注明批號、規格及數量。2.在運輸、保管及使用過程中應輕裝輕卸,并防止受潮。3.瓷環應成箱在室內倉庫保管,地面應有防潮措施,并按批號、規格分類堆放,保管使用中不得混批。包裝箱底層應架空,距離地面大于300mm,碼高不大于3層。4.使用前盡可能不要開箱,以免破壞包裝的密封性,開箱取出部分瓷環后應原封包裝好,以免受潮。5.栓釘及瓷環在安裝使用時,工地應按當天計劃使用的規格數量領取,當天安裝剩余的高強螺栓應送回倉庫保管。6.嚴禁使用受潮的瓷環,受潮的瓷環在烘箱內經120℃烘干1—2小時后方可使用。
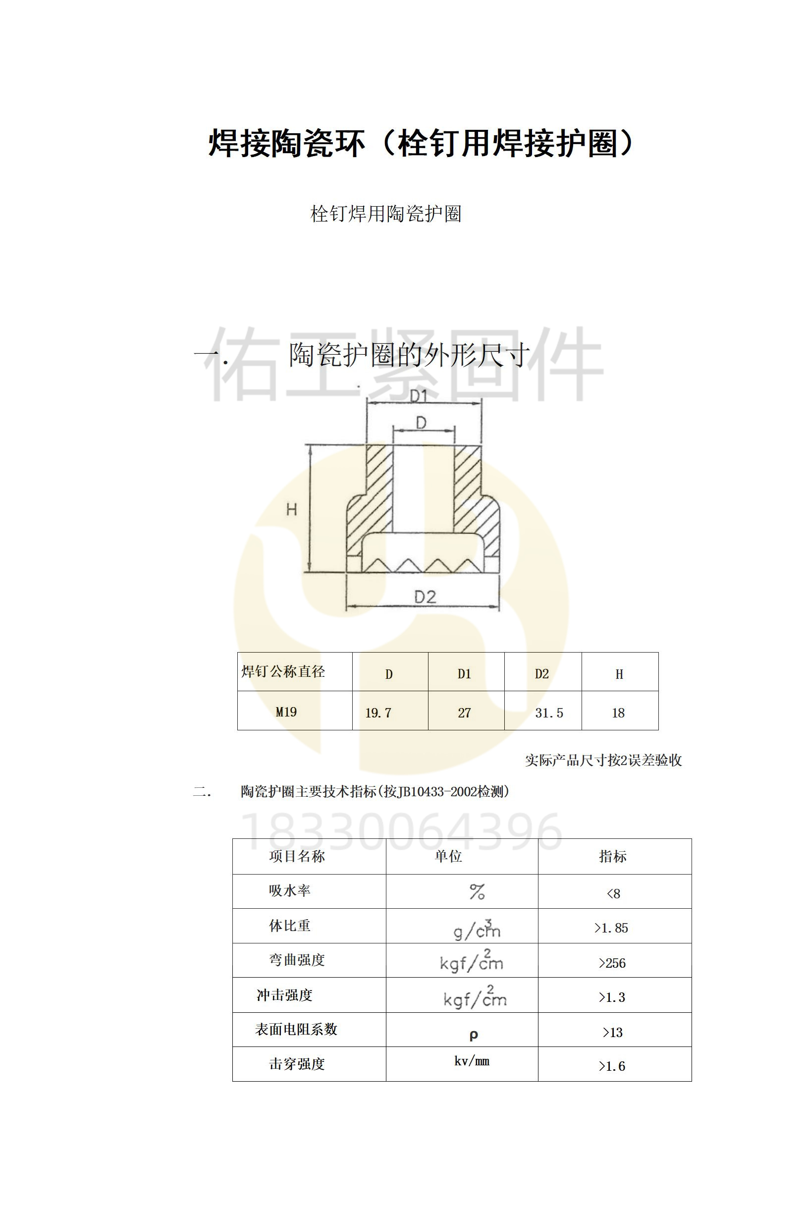
下附普通栓焊用瓷環(焊接護圈)尺寸數據供參考:

下附普通栓焊(B2型焊接護圈)與穿透焊接(B1型焊接護圈)圖標,M16與M19規格性能數據


栓釘焊機有兩種,電弧栓焊機和儲能栓釘焊機,儲能焊機適用于直徑較小的栓釘焊(?8mm以下),在建筑工程中栓釘直徑較大(?25mm)以下。因此栓釘焊時均采用電弧栓釘焊機。

栓釘材料的機械性能及化學性能:
1.力學性能見表:

化學成份見表:

1. 栓釘(焊釘,剪力釘,圓柱頭焊釘)的形狀尺寸見圖:
D: 栓釘直徑
DK:栓釘頭部直徑
H1:栓焊完畢后溶化直徑
H:栓焊完畢后焊肉厚度
L :栓釘長度(長江以北多以栓焊前長度為準,長江以南多為栓焊后長度為主)
K:栓釘頭部厚度
r: 頭部坡度成型量
WA:栓焊部溶化長度
栓釘制造不必經表面處理。其表面應平滑、潔凈,不得有銹蝕、氧化皮、油脂和毛刺等;其桿部表面不允許有影響使用的裂縫,但頭部裂縫的深度(徑向)不得超過0.25(dk-d)mm。遵循國家標準

根據設計要求,選用合格的栓釘。根據焊釘的安裝位置按下述要求使用配套瓷環:
1 若直接在壓型鋼板上安裝栓釘,應使用穿透型(B2型)的配套瓷環。
2 若直接在鋼梁鋼柱上安裝栓釘,應使用普通型(B1型)的配套瓷環。
作業條件
1 鋼結構構件表面熔焊部位,不允許有油漆、銹、水、油污及其它影響焊縫質量的污漬。
2 作業場地空氣環境相對濕度不大于85%。
施工工藝流程:

工藝細則
1 劃線定位
1 工具:鋼板尺、劃針、樣沖、榔頭。
2 操作:用鋼板尺和劃針,按設計要求的位置和間距,在構件上劃出栓釘的位置并在栓釘位置處打上樣沖眼。
3要求:符合工程設計要求,位置允許偏差±1mm。
2 清理焊接區域
1 工具:角磨機、鋼絲刷。
2 操作:用角磨機將構件施焊部位的涂層打磨干凈,并用鋼絲刷清掃鐵屑殘渣。
3 要求:焊接鋼構件表面不允許有油漆、其它涂層、水、油脂及其它影響焊縫質量的污漬存在。
3 試焊
1 機具:熔焊栓釘機及配套的工裝是植釘槍。
2 操作
植釘槍的操作:
植釘槍的操作如圖所示。

3 要求:
每項工程的每種規格栓釘在正式施焊前,必須試焊一個焊釘,用榔頭敲擊(或使用套管壓)使栓釘彎曲30°,進行彎曲試驗,檢查是否滿足質量要求;若不能滿足要求,則應修改施工工藝,調整工藝參數再試,直到滿足要求為止。使用套管進行試驗時,套管下端距離焊肉上端的距離不得小于1d。
4 焊接
1 操作
1 栓釘槍的操作:
2 熔焊操作過程:
焊接準備
1. 將栓釘放在焊槍的夾持裝置中,把相應直徑的保護瓷環置于母材上,把栓釘插入瓷環內并與母材接觸,如圖所示。

2. 引弧
按動電源開關,栓釘自動提升,激發電弧,如圖所示。

3. 焊接
焊接電流增大,使栓釘端部和母材局部表面熔化,如圖所示。

4.加壓
設定的電弧燃燒時間達到后,將栓釘自動壓入母材,如圖所示。

5. 斷電
切斷電源,熔化金屬凝固,并使焊槍保持不動,如圖所示。

6 冷卻
讓焊縫冷卻,栓釘端部表面形成均勻的環狀焊縫余高,然后敲碎并清除瓷環,焊接完成,如圖所示。

每班焊接完成的栓釘均要從中抽取兩個焊釘,用榔頭敲擊(或使用套管壓)使栓釘彎曲30°,進行彎曲試驗,檢查是否合格,否則應修改施工工藝,調整焊接參數。使用套管進行試驗時,套管下端距離焊肉上端的距離不得小于1d。焊接過程中如果有不飽滿或者經過修補的栓釘,每個栓釘均應作彎曲15°試驗。榔頭敲擊方向應從焊縫不飽滿的一側進行。試驗樣品的處理經彎曲試驗的栓釘,如果合格可保留彎曲狀態;如果不合格可以修補或在該焊釘近處重新補焊一棵栓釘。
5 焊接工藝參數
焊接電壓、電流、及時間(栓釘槍提起和插下)等參數,受設備和栓釘的影響較大,按下表根據所使用的熔焊栓釘機使用說明和焊接工藝評定來確定。
下附栓釘螺柱焊接焊接電流及電壓參考:

6 質量檢驗
1 主控項目
(1) 焊釘和焊接瓷環的材質、品種、規格、性能等應符合GB10433規定和設計要求。
檢查數量:全數檢查。
檢驗方法:檢查栓釘和焊接瓷環的質量合格證明文件、中文標志及檢驗報告等。
(2)重要鋼結構采用的栓釘應抽樣進行機械性能復驗,復驗結果應符合設計要求。
抽樣規則:相同材質、同一生產廠家、相同工藝生產的不同規格尺寸的栓釘,可以按數量在每2萬棵及其以下,組成一個檢驗批,只抽取其中一種栓釘做一組機械性能復驗。
檢驗方法:檢查復驗報告。
2 一般項目
(1)栓釘和焊接瓷環的規格、尺寸及偏差應符合GB/T10433規定。
檢查數量:按量抽查1%,且不少于10套。
檢驗方法:用鋼尺和游標卡尺測量。
焊釘焊接檢驗
1 主控項目
(1) 施工單位對其采用的栓釘和鋼材焊接應進行焊接工藝評定,其結果應符合設計要求和GB50205、JGJ81標準規定。瓷環應按其產品說明書進行烘焙。
檢查數量:全數檢查。
檢驗方法:檢查焊接工藝評定報告和烘焙記錄。
(2) 栓釘焊接后應進行彎曲試驗,其焊縫和熱影響區不應有肉眼可見的裂紋。
檢查數量:每批同類構件抽查10%,且不應少于10件;被抽查構件中,每件檢查焊釘數量的1%,但不應少于1個。
檢查方法:用榔頭敲擊(或使用套管壓)使栓釘彎曲30°后用角尺檢查和觀察檢查。使用套管進行試驗時,套管下端距離焊肉上端的距離不得小于1d。
樣品處理:經彎曲試驗合格的焊釘,乃保持彎曲狀態交貨或轉序。

2 一般項目
焊縫無氣孔、無夾渣,焊腳應均勻;如果存在下列情況之一,應用手工電弧焊進行修補:
(1)焊腳立面的未熔合或不足360°;
(2)焊縫高度≤1mm;
(3) 焊縫寬度≤0.5mm;
(4) 焊縫咬肉深度≥0.5mm。
檢查數量:按總栓釘數量抽查1%,且不應少于10個。
檢驗方法:用焊接檢驗尺和觀察檢查。
隨著建筑技術的不斷進步和工程要求的日益提高,螺柱焊作為一種高效、可靠的連接技術,其應用前景將更加廣闊。未來,我們期待看到更多創新技術的涌現,如智能化焊接系統的應用、新型焊接材料的研發等,共同推動螺柱焊技術在建筑工程領域邁向新的高度。

在探索建筑之美的道路上,螺柱焊以其獨特的魅力和卓越的性能,為我們構建了一個又一個安全、穩固的奇跡。讓我們共同期待,螺柱焊技術在未來的建筑工程中綻放出更加耀眼的光芒!